You think you know the 808? Listen to how Mr. Tadeo Kikumoto, Roland’s lead developer at the time, talks about what went into the machine. That walks through origins, from kick to claps, in this excerpt from the book Inspire the Music: 50 Years of Roland History. And if you’re ready to nerd out more, CDM is partnering with Bjooks so you can get that book and more in a special deal — today only, 808 Day!
If you buy something from a CDM link, we may earn a commission.

Inspire the Music tells the story of 50 years of Roland history in 400 colorful pages. I was one of the contributing writers, as part of an all-star team, and I can tell you we got exhaustive. It’s a plotline that constantly crosses between engineering and music, across the vast Roland product catalog, with all its twists and turns.
Today only, you can get a copy of the book for free with a membership to Yearly Pro on the new Bjooks site, patchandtweak.com. That means for 99€ for year, you get all the e-books from the awesome Bjooks library and a bunch of exclusives they have for members, like patch tips and tutorials and in-depth articles on synthesis, artists, and makers, plus podcast episodes. And you get the Roland book in glorious hardback form; you just pay shipping. (If you’re an existing member, there are ways to get the free book, too. Here’s the deal:
808-Day celebration: Free book, articles, and more
But for a further preview of what’s in store from the book, here’s an interview with Kikumoto-san himself, with the story behind that kick and more.
Mr. Tadao Kikumoto has had a career at Roland spanning multiple decades, including being at the center of what he dubs the “Mid-O Series” (known to most outside Roland as x0x), and deep roots in synthesis. He’d later develop the ground-breaking V-Guitar VG-8, Roland’s answer to the physical modeling approach of Yamaha’s VL1 (the instrument I wrote about in June). And part of what makes the 808 special is that it is synthesis-based. Let’s let Kikumoto-san explain.

Interview with Tadao Kikumoto, former lead developer at Roland
Excerpt from Inspire the Music
Composing Rhythms with a Synthesizer
Mr. Kikumoto and his team faced the challenges of developing Roland’s now-legendary drum machines. With all due respect to Roger Linn and his LM-1, the pioneering sample-based drum machine first released in 1980, the Roland drum development team started with a very different vision. “It is worth mentioning that the aim of the TR-808 development team was to design not a drum machine, but a drum synthesizer. It was not about mimicking real sounds, but about providing possibilities to create ‘ideal’ sounds. However, due to limitations in performance, physical size, and the cost of analog devices at the time, we had to abandon our original target.
“Digital sampling was expected to become the next-generation mainstream technology for musical instruments, but we synthesizer engineers couldn’t help feeling that simply recording and playing back acoustic sounds was too easy – it didn’t require craftsmanship. Because Roland is a synthesizer maker, I suggested that we should develop a drum synthesizer. Each instrument would have its own synthesis method, allowing users to create sounds to their taste, rather than just realistic ones. Kakehashi-san agreed with this idea.”

A Recipe with 808 Ingredients
This was a bold vision at the time and required a certain philosophical focus on what the team was building versus what the market might expect. “All we could do was develop each individual sound to be as good as it should be. We didn’t think about whether they sounded realistic or about comments like ‘the kick should have more attack’ or ‘the cymbals sound toy-like.’
“The original idea of the TR-808 was to be a successor to the CR-78 – a portable and programmable rhythm machine. We were technically ready to move toward PCM digital samples, which sounded more realistic, but the cost of semiconductor memory was a hurdle. If we increased the number of different sounds, it would have directly affected the product price. Also, we are a synthesizer company, so why not go for a drum machine based on synthesizers that allow users to create and edit the sounds?”

Mr. Kikumoto and his team set themselves the task of synthesizing what drums and percussion should sound like. It was a task constrained by the available technology. “Actually, it is not easy to create percussive sounds with synthesizers. It is difficult to create attack elements with subtractive synthesis, no matter how many System-700 modulars are used. Synthesizers control attack time, but cannot generate the chaotic harmonic overtones essential to percussive attacks. So we started development by improving the sounds in the CR-78.
“There are many unsung heroes who crafted these sounds, such as metallic tones like cymbals. Roland rhythm boxes were built on analog technologies developed by engineers like M. Shibahara and T. Sakai from the former Ace Electronics. This technology was then adapted by T. Kamio and H. Nakamura for the CR-68 and CR-78.”
“When it was time to modify the CR-78 snare circuit for the TR-808, we had already spent too much time on other sounds, and the circuits had become larger. To fit everything into a small cabinet, clever circuit design and PCB skills were required. This was made possible largely through the work of K. Fujiwara, who was new to our team at the time.”

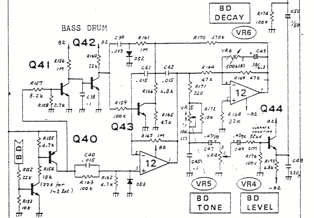
The 808 Kick – The Boom That Shook the Planet
“I focused on designing the TR-808 kick and handclap sounds. Later, the kick was acclaimed, but at the time, I felt the least accomplishment with it – it’s just a raw sine wave from the oscillator.”
Still, one element of the 808 kick – its long decay – sparked debate within Roland. “As soon as the prototype began working, Kakehashi-san brought musicians to the lab for feedback. Internally, people who preferred acoustic drums said the long decay wasn’t needed. They warned, ‘The market may think Roland doesn’t understand drums.’
“But since we were using synthesis, I wanted some parameters to be editable. There weren’t many choices besides pitch, so we selected decay. I thought, ‘The hi-hat has gate time; why not give other instruments gate time and decay too? If users don’t need long decay, they can shorten it.’ But nobody liked this idea.
“The kick lacked initial impact, so we emphasized a strong fundamental at 60 Hz. That frequency later attracted hip-hop and EDM artists and led to the rediscovery of the Mid-O Series. Today, you can hear it even on small monitors, but in our labs back then, playback systems were primitive. None of us realized the power of that low bass!
“Even I never thought of tweaking the decay while performing, but later artists in hip-hop and Miami bass did. Rick Rubin sampled it, set the pitch, and played it as a bass sound.”

The 808 Handclap – The Perfect Imperfection
One of the most iconic 808 sounds is the handclap – now found in thousands of machines, libraries, and synths. But at the time, it was simply a practical solution. “We clapped our hands in a room, recorded the ambient reverb, and analyzed the audio signal. My analysis revealed a random sound source centered at 1,000 Hz, then modulated with sawtooth-shaped envelopes.

“We used white noise through a bandpass filter at 1,000 Hz, then applied amplitude modulation. It sounded like bamboo sticks being hit – but we were out of time, so we used it.
“After the TR-808 was released, I improved it with a popping sound, but the original was already popular. It became a standard. Together with the kick, it became the identity of the 808.
“Yellow Magic Orchestra had a prototype TR-808 and used the handclap in ‘1000 Knives’ – I heard it on FM radio and was surprised. At first, there wasn’t much reaction, and I didn’t like the sound either – but once it was accepted, it rewrote the criterion. When we released the TR-606, people complained that it didn’t have a handclap!
“I always wanted to create something new, not based on existing expectations. The 808 handclap became that kind of sound.”

TR-REC – Visually Placing Beats in Time
Those who talk about the genre-defining sound of the TR-808 often forget that it also introduced a revolutionary idea: TR-REC, the step-based programming of beats via a row of buttons with LEDs. “The idea of TR-REC originated as a tool for early rhythm box R&D in the company. It was a matrix panel with rows and columns for 16 instruments over 24 steps, and it was used to program rhythm patterns by plugging points into the panel. I replicated this behavior on a computer and replaced the patch points with LED indicators.

“Before Roland, I worked for Japan System Development Co. Ltd. (now System Gear Co. Ltd.), which manufactured and sold Japan’s first microcomputer using the Intel 8008 8-bit processor. My memory of demonstrating that product gave me the idea for TR-REC.
“The LinnDrum used real-time tap input, which only musicians could program. The Roland DR-55 was the first programmable rhythm machine with step sequencing, which users accepted – even though people at Roland said it lacked human feel.
“I think the biggest achievement of the TR-808 is TR-REC, which allowed non-musicians, DJs, and producers to program the rhythms they imagined. I believe this aspect of the 808 is what fascinated early hip-hop artists, not just the sounds.”

On Developing New Things
“Musical instrument R&D is the art of compromise. When everyone wanted realism, we released the TR-808 – which didn’t sound real. But it was discovered because of its intuitive interface, and its sounds eventually redefined the standard. Instrument development is unpredictable, but it still fascinates me.”

The 808 as a Line Drawing
“If you compare it to the world of visual art, the TR-808 sounds are like simple line drawings or illustrations. They emphasize essence rather than realism. Traditional Japanese woodblock printing, or ukiyo-e, is a pictorial method based on outlines, limited by printing and paint techniques. Its constraints shaped its unique criterion.“Katsushika Hokusai was famous for his Thirty-six Views of Mount Fuji. One of them, ‘The Great Wave off Kanagawa,’ is known worldwide. In it, he sacrificed photographic detail to enhance the wave’s power using bold outlines, contrasted with Mount Fuji. This technique, shaped by limitation, created an expressive impact realism couldn’t achieve. In the same way, I believe 808 sounds emphasize impact over realism.”
Keep reading, as there’s more on the Bjooks page:
808-Day celebration: Free book, articles, and more
And if you can’t get enough Kikumoto-san, there’s even more to the telling of the story in an interview with our friend Roland veteran Paul McCabe (now leading the Roland Future Design Lab), from the 40th anniversary:
Tadao Kikumoto: An Exclusive Conversation

Photo credits:
Images with yellow backgrounds all courtesy Kiim Bjørn / Bjooks.
Schematics and diagram from the original 1981 Roland schematics and service manual. Those are all captured (including owners’ manual) via Synthfool.
Images of Kikumoto-san courtesy Roland.
.png)
![AI algorithms is making all products look the same (2021) [video]](https://www.youtube.com/img/desktop/supported_browsers/opera.png)
